TE171和TE131液壓站
發布時間:2018-04-19來源:礦井提升機點擊:10663

TE17和TE13系列液壓站使用說明
1、 液壓站作用主要是:
(1)、為盤形制動器提供可以調節的壓力油,是提升機獲得不同的制動力矩。
(2)、在任何事故狀態下,可以使盤形制動器的油壓迅速降低到預先調定的某一值,經過延時后,盤形制動器的全部油壓值迅速回到零,使盤形制動器到達全制動狀態。即:可以實現對提升機的一級(緊急)制動、二級制動能力。
(3)、可以供給單繩雙筒礦井提升機的調繩裝置所需要的控制壓力油。
經過技術改進后,該型號完全滿足2016年版的《煤礦安全規程》第425條關于“安全制動必須有并聯冗余的回油通道”的規定
2、 液壓站主要技術參數:
系統工作油壓 6.3Mpa 或14MPa
系統供油量 9.0L/min
二級制動延時時間 0~10S(由電氣完成)
比例調壓電子放大器控制信號 DC 0~10V
電子放大器電源 DC 24V
液壓油牌號 YB-N46號抗磨液壓油
工作油溫 15~65℃
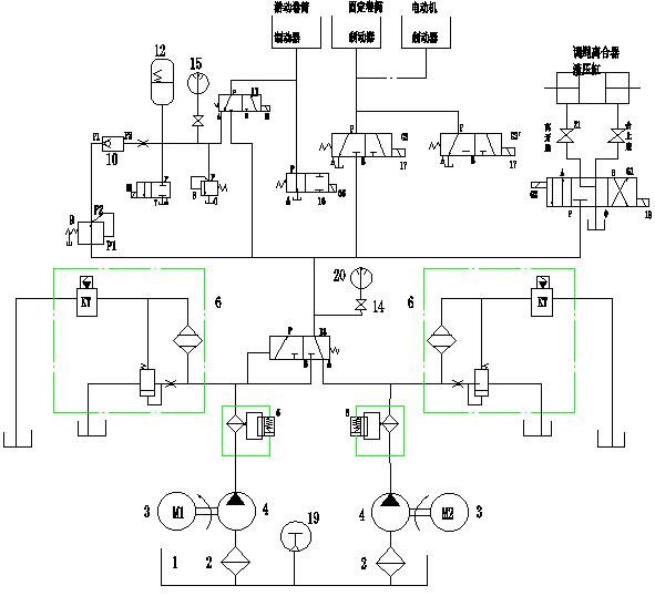
3、 液壓站工作原理圖:

4、液壓站常用配件:
液壓站密封圈
比例閥
電磁閥
電磁鐵
減壓閥
單向閥
溢流閥
液動換向閥
壓力表
壓力表開關
電接點壓力表
油泵
